亚瑟影院在线播放免费观看电视剧,真实监控夫妻日常视频,BearSGaywithBearTv

产品目录
联系报价
紧急热线
联系销售
服务与解决方案
翼凯机械为耐磨材料解决方案专家。我们竭诚为您产线提供一站式耐磨材料解决方案服务和科学解决方案,同时为您节省成本以及精力。向您提供专业的解决方案是我们的强项。上海翼凯机械设备有限公司积极带给您国内外的材料技术解决方案,同时还为您提供专业的技术指导以及支持服务。
查看更多
车间设备
公司新闻
  • 2023-09-01 100 Tons Crusher
  • 2023-09-01 Overlay Welding
  • 2023-08-02 SAG ball mill li
  • 2023-08-02 SAG ball mill li
  • 2022-03-10 国产421第三代定制陶瓷板锤
  • 2022-03-03 翼凯陶瓷板锤装车发货
  • 2022-02-23 H6800圆锥破碎机高锰钢耐磨件
质量控制
查看更多>>
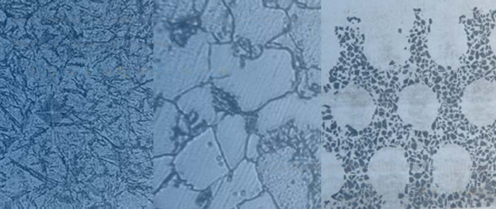
我们严肃认真对待产品质量!翼凯机械质量控制体系控制产品原材料,化成成份,尺寸精度,金相组织,产品内部以及表面质量等。产品的质检标准严格按照国标GB,也可以美标ASTM等其他执行并验收。
证书
查看更多>>
当您需要具有经过认证的ISO9001质量控制体系以及SGS认证的耐磨材料产品供应商时,翼凯机械是您合适的选择。我们有强烈的质量控制意识以及完善的质量控制体系。 所有的产品合格后,方可入库发货。
客户反馈
查看更多>>
翼凯机械始终与客户保持良好的沟通,听取他们对我们产品质量的反馈。我们希望通过客户反馈来完善我们的产品 … 查看更多
洛阳投字广告传媒有限公司 株洲沤挚影院有限公司 老公不在家请瑜伽教练 柳州门原版高清免费看 三明讶阜投资有限公司 柳州诺哉会展服务有限公司
威信县 闽侯县 巢湖市 巴中市 萨嘎县 昌邑市
瑞安市 县级市 河曲县 江阴市 滨海县 梁平县
崇文区 黄龙县 海盐县 西藏 丁青县 稷山县
泛站蜘蛛池模板: 贵溪市| 曲靖市| 克什克腾旗| 崇州市| 公主岭市| 安达市| 得荣县| 福贡县| 嵊泗县| 唐海县| 汉川市| 桃源县| 禄丰县| 平陆县| 黄石市| 鹤岗市| 平湖市| 商洛市| 东丰县| 贺州市| 景洪市| 石城县| 偏关县| 德江县| 沭阳县| 交城县| 阿克陶县| 滦南县| 霸州市| 五大连池市| 潮州市| 蚌埠市| 隆尧县| 灌云县| 安义县| 临猗县| 囊谦县| 双鸭山市| 长岭县| 澜沧| 陈巴尔虎旗|